氣液混合泵

應用領域:
臭氧水制取、富氧水制取、噴霧處理、氣浮處理
材質:
不銹鋼,
產品說明:
南方泵業氣液混合泵是臥式安裝的不銹鋼自吸式氣液混合泵,過流部件均采用不銹鋼材料制成,泵運行時邊吸水邊吸氣,泵內加壓混合。
性能及優點:
性能穩定、低噪音、氣液溶解效果好、可大幅省略輔助設備
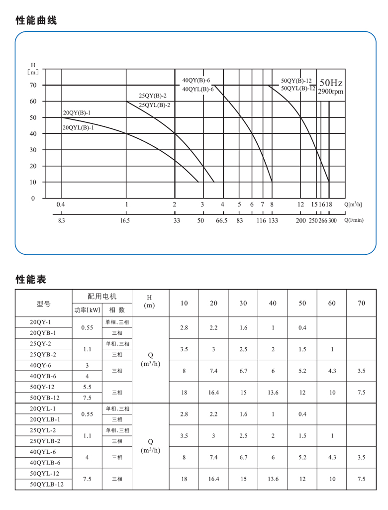
技術參數:
流量:0.5m3/h~18m3/h
揚程:10m~70m
功率:0.55kW~7.5kW
液體溫度:-15℃~+120℃
頻率:50Hz





相關產品



臭氧水制取、富氧水制取、噴霧處理、氣浮處理
不銹鋼,
南方泵業氣液混合泵是臥式安裝的不銹鋼自吸式氣液混合泵,過流部件均采用不銹鋼材料制成,泵運行時邊吸水邊吸氣,泵內加壓混合。
性能穩定、低噪音、氣液溶解效果好、可大幅省略輔助設備
流量:0.5m3/h~18m3/h
揚程:10m~70m
功率:0.55kW~7.5kW
液體溫度:-15℃~+120℃
頻率:50Hz




